Zawór pękniętego przewodu CFS 16-ES Bucher
Ciśnienie [bar]
420
Przepływ [L/min]
250
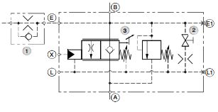
Zawór pękniętego przewodu serii CFS (Compact Flow Control and Safety Valve) zapobiega niekontrolowanemu opuszczaniu siłownika w przypadku pęknięcia rury lub węża. Ponadto zawór CFS utrzymuje siłownik w jego pozycji, gdy zawór główny jest pozycji środkowej/neutralnej. Zawór posiada również dodatkową funkcję odciążenia, która chroni siłownik przed przeciążeniem. Porty wlotu i siłownika w CFS są standardowymi portami kołnierzowymi SAE, dzięki czemu zawór można bez problemu zamontować w istniejącym sprzęcie.
- Spełnia wymagania bezpieczeństwa zgodnie z ISO 8643, EN 474 i DIN 24093
- Szczelne trzymanie ładunku
- Konstrukcja standardowa → kompaktowa, bardzo niska waga
- Płaska konstrukcja → z noskiem, idealna do siłownika wysięgnika
- Spełnia rygorystyczne wymagania dotyczące ochrony przed korozją → zawór jest ocynkowany (nie zawiera Cr VI)
- Zespół sterujący gwarantuje zamknięcie → zamyka się nawet przy uszkodzonej sprężynie
- Brak wpływu lub bardzo niewielki wpływ na istniejący układ hydrauliczny → łatwa modernizacja
Zapytaj o produkt
Chętnie odpowiemy na Państwa pytania dotyczące naszych produktów, ich montażu oraz użytkowania.
Prosimy o skorzystanie z poniższego FORMULARZA KONTAKTOWEGO.

